Firefighter Robot

Front view Left view Back view Right view Top view

Developed an autonomous robot that navigates a maze, detects room entry, and extinguishes flames using a mounted fan. Designed and fabricated custom PCBs, assembled circuits, and integrated multiple sensors with real-time feedback on an LCD display.

Skills:

  • Integration of linear/rotary encoder sensors.
  • Implementing Optoelectronic and Spectral Sensitivity Detectors.
  • LCD display for real-time sensor data visualization.
  • PCB design and soldering.
  • Motor control for differential drive (two-wheel system).
  • Wall-following and line-counting algorithms for maze navigation.
  • PIC Microcontroller Programming.
  • Wiring sysetms together and troubleshooting circuits.

Embedded 3D Spatial Mapping System

Hardware setup Map example Map example Mapped location

Designed and built a 3D spatial mapping system using a VL53L1X Time-of-Flight sensor mounted on a stepper motor and controlled by an MSP-EXP432E401Y microcontroller. The system generated real-time distance maps, transmitted data via UART for visualization, and used onboard LEDs to indicate system status during operation.

Skills:

  • C programming on MSP432E401Y (interrupts, GPIO, UART, I²C)
  • VL53L1X ToF sensor integration + data acquisition
  • Stepper motor control with ULN2003 driver
  • Custom hardware wiring + power management
  • Python (PySerial, NumPy, Open3D) for data processing + visualization
  • 3D point cloud generation + interactive mesh rendering
  • Testing + validation against real-world hallway scans

Classic Snake Game

Snake Game screenshot

Built an object-oriented C++ implementation of the Snake game with modular classes, dynamic memory management, and real-time controls. Implemented randomized food generation, snake growth and scoring, collision detection, and wraparound movement while applying clean OOD principles and testing practices.

Skills:

  • Object-oriented design: encapsulation, composition, modular class structure
  • Real-time input handling with MacUILib
  • Snake movement algorithm using custom array list
  • Randomized food generation and scoring system
  • Collision detection and game-over conditions
  • Dynamic memory management (Rule of Six / Minimum Four)
  • Unit testing and iterative design workflow

CMOS XOR Gate

XOR gate schematic CD4007 chip wiring

Built and tested a CMOS XOR gate at the transistor level using two CD4007 chips. Verified functionality with digital I/O, characterized voltage transfer levels, and measured timing performance with a capacitive load.

Skills:

  • Transistor-level digital circuit design with CMOS logic
  • Applying PMOS/NMOS sizing principles
  • Breadboard prototyping with CD4007 MOSFET arrays
  • Functional, static level, and timing performance testing
  • Using Analog Discovery 3 for digital I/O and oscilloscope analysis
  • Comparing CMOS logic and pass-transistor designs

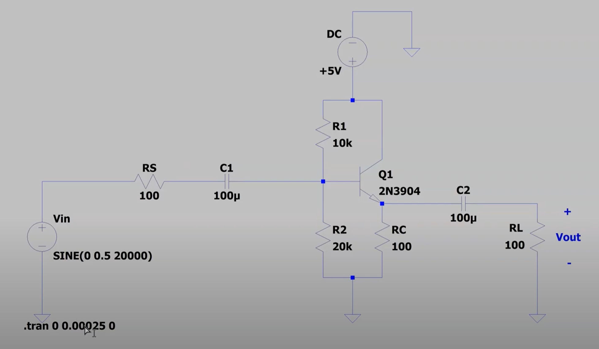
Single-Transistor Amplifier

Amplifier schematic LTspice simulation results Breadboard amplifier build

Designed, simulated, and built a single-transistor amplifier to drive a 100 Ω load with less than 10% attenuation. Verified gain, linearity, and signal fidelity using LTspice simulations and oscilloscope measurements.

Skills:

  • Analog circuit design with MOSFETs or BJTs
  • Selecting and justifying amplifier topologies
  • Simulation of amplifier behavior (DC, transient, frequency response)
  • Breadboard prototyping with limited supply rails
  • Measuring gain, linearity, and fidelity using test equipment
  • Comparing theoretical, simulated, and experimental results

Ideal Voltage-Controlled Switches

Switch circuit schematic Breadboard prototype Oscilloscope test output Final circuit measurement Final circuit measurement Final circuit measurement

Designed and tested two types of “ideal” voltage-controlled switches using MOSFETs and supporting components. Implemented circuits to approximate ideal behavior, evaluated non-idealities, and developed a structured test plan with quantitative measurements.

Skills:

  • Circuit design with MOSFETs, diodes, and passive components
  • Translating ideal device concepts into practical hardware
  • Breadboard prototyping and systematic testing
  • Measuring and analyzing non-ideal behaviors
  • Developing and executing structured test plans
  • Troubleshooting and refining designs for performance/cost trade-offs

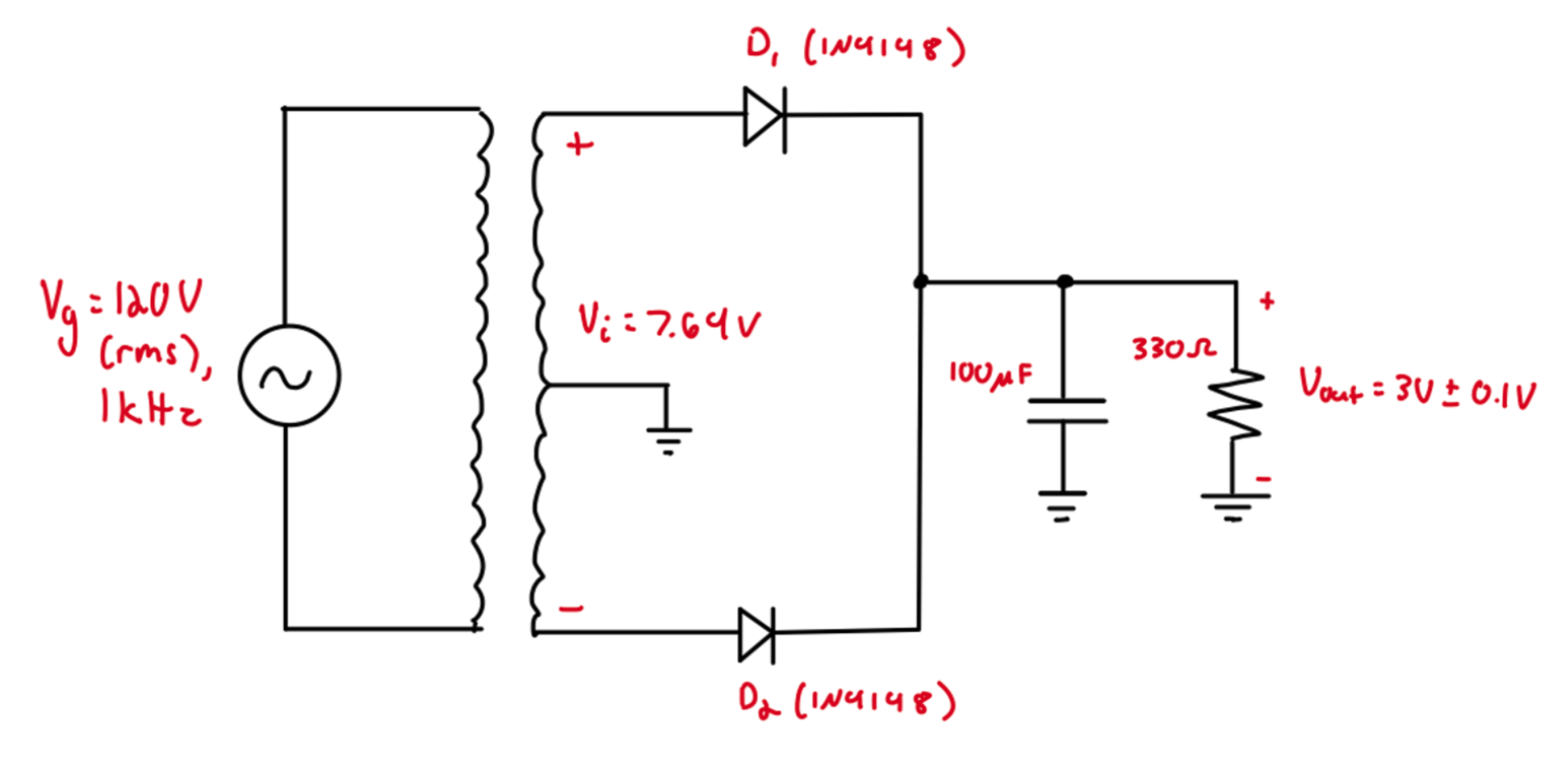
DC Power Supply

Circuit schematic LTspice simulation Breadboard build

Designed and built a DC power supply that converted 120 V AC into a stable 3 V ±0.1 V DC output at 10 mA. The project included transformer design, full-wave rectification, capacitor filtering, LTspice simulation, and oscilloscope validation using the Analog Discovery 3.

Skills:

  • Power electronics design and analysis
  • AC to DC conversion using rectification and filtering
  • Simulation and validation with LTspice
  • Breadboard prototyping and safe circuit construction
  • Measurement and debugging with oscilloscopes and test equipment
  • Applying theoretical calculations to practical hardware
  • Troubleshooting discrepancies between simulation and real-world results
  • Documenting design process and performance evaluation